Hall Effect Angular Position Sensor

Hall Effect Position Sensors Specifications Hall Effect Angular Position Sensors

Hall Effect Position Sensors Specifications Hall Effect Angular Position Sensors

Angular Position Sensor Non Contact Hall Effect Analog Ritm Industryritm Industry

Angular Position Sensor Non Contact Hall Effect Analog Ritm Industryritm Industry

Angular Position Sensor An9 Series Cherry Non Contact Magnetic Hall Effect

Angular Position Sensor An9 Series Cherry Non Contact Magnetic Hall Effect

Rotary Position Sensor Rs Parker Na

Rotary Position Sensor Rs Parker Na

Angular Position Sensor Non Contact Hall Effect Analog Ritm Industryritm Industry

Angular Position Sensor Non Contact Hall Effect Analog Ritm Industryritm Industry

Angular Position Sensor Non Contact Hall Effect Ritm Industryritm Industry

Angular Position Sensor Non Contact Hall Effect Ritm Industryritm Industry

Angular Position Sensor Non Contact Hall Effect Ritm Industryritm Industry

Angular position sensors resolve the angle using hall effect sine and cosine data and an internal microprocessor.

Hall effect angular position sensor.

The output is a digital to analog conversion with a resolution of 0 36 degrees. Its output voltage is directly proportional to the magnetic field strength through it. A cvh front end digital signal processing and motor commutation uvw or encoder outputs a b i. In position sensors which use hall efffect the moving part is connected to a magnet thus the sensor consists of a hall element and a magnet housed within the sensor shaft.

The hall effect has turned out to be a rather useful physical phenomenon. Angular position sensor 424z non contact hall effect analog. The a1333 is a 360 angle sensor ic that provides contactless low latency high resolution angular position information based on magnetic circular vertical hall cvh technology. Magnetic sensitivity is along one axis only.

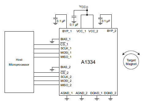
The measuring principle is contactless based on a magnetic field rotating around a hall sensor. Hall effect sensors are used for proximity sensing positioning speed detection and current sensing applications. With the movement of the body or its part the magnet also moves and therefore the magnetic field across the hall element and so the hall voltage. The a1334 is a 360 angle sensor ic that provides contactless high resolution angular position information based on magnetic circular vertical hall cvh technology.

The output voltage produced for zero field is nominally 2 5v with a standard transfer function of 10 mv gauss. Hall effect based ics such as the a1337 can help your device to perform a variety of sensor tasks related to angular motion. It can be employed for a variety of measurement applications involving current and magnetic fields. It has a system on chip soc architecture that includes.

Digispec hall effect linear position sensors are designed to detect continuous variations in the magnetic field and convert field strength to a proportional voltage. Hall effect position sensors detect speed position or direction of ferrous targets like shafts turbines and gears. It has a system onchip soc architecture that includes. A hall effect sensor is a device that is used to measure the magnitude of a magnetic field.

Analog output detection over less than 360 degrees of rotation.

Angular Position Sensor Contactless Hall Effect Analog Ritm Industryritm Industry

Angular Position Sensor Contactless Hall Effect Analog Ritm Industryritm Industry

Magnetic Angle Sensors For Cars Have On Chip Processing

Magnetic Angle Sensors For Cars Have On Chip Processing

Angular Position Sensor Mlx90333 Melexis Non Contact Hall Effect Analog

Angular Position Sensor Mlx90333 Melexis Non Contact Hall Effect Analog

Angle Measurement Using A Miniature Hall Effect Position Sensor Semantic Scholar

Angle Measurement Using A Miniature Hall Effect Position Sensor Semantic Scholar

Position Measurement With Hall Effect Sensors

Position Measurement With Hall Effect Sensors

Angular Position Sensor Nrh27c Curtiss Wright No Contact Hall Effect Can Bus

Angular Position Sensor Nrh27c Curtiss Wright No Contact Hall Effect Can Bus

How To Select Hall Effect Sensors For Brushless Dc Motors

How To Select Hall Effect Sensors For Brushless Dc Motors

Hall Effect Sensor Fuses Unlimited Fuses Unlimited

Hall Effect Sensor Fuses Unlimited Fuses Unlimited

Field Oriented Control Of Pmsm By Using Hall Sensor Matlab Simulink Example

Field Oriented Control Of Pmsm By Using Hall Sensor Matlab Simulink Example

Https Encrypted Tbn0 Gstatic Com Images Q Tbn 3aand9gcsb0vf9euz022typbl8k8vyjrfuzvxbjammtq Usqp Cau

Https Encrypted Tbn0 Gstatic Com Images Q Tbn 3aand9gcsb0vf9euz022typbl8k8vyjrfuzvxbjammtq Usqp Cau

Position And Level Sensing Using Hall Effect Sensing Technology

Position And Level Sensing Using Hall Effect Sensing Technology

A1332 Precision Hall Effect Rotational Angle 0 To 360 Sensor

A1332 Precision Hall Effect Rotational Angle 0 To 360 Sensor

Hall Effect Sensor And How Magnets Make It Works

Hall Effect Sensor And How Magnets Make It Works

Clemson Vehicular Electronics Laboratory Position Sensors

Clemson Vehicular Electronics Laboratory Position Sensors

Angular Position Sensor Ip69k Tps280dp Curtiss Wright Contactless Hall Effect Analog

Angular Position Sensor Ip69k Tps280dp Curtiss Wright Contactless Hall Effect Analog

Contactless Position Sensors

Contactless Position Sensors

Clemson Vehicular Electronics Laboratory Crankshaft Camshaft Position Sensors

Clemson Vehicular Electronics Laboratory Crankshaft Camshaft Position Sensors

10 Best Linear Hall Sensors Lucio Sciamanna

10 Best Linear Hall Sensors Lucio Sciamanna

Https Encrypted Tbn0 Gstatic Com Images Q Tbn 3aand9gct1mngz Qoizmgtd9jv57hdb3jeta0kjmpw9ag Qldc 2afojxf Usqp Cau

Https Encrypted Tbn0 Gstatic Com Images Q Tbn 3aand9gct1mngz Qoizmgtd9jv57hdb3jeta0kjmpw9ag Qldc 2afojxf Usqp Cau

3d Linear Or 2d Angle Sensing With The Als31300 And Als31313 Hall Effect Ics

3d Linear Or 2d Angle Sensing With The Als31300 And Als31313 Hall Effect Ics

Rotary Position Sensors Basic Guide And Specifications

Rotary Position Sensors Basic Guide And Specifications

Allegro Hall Effect Sensor Ics

Allegro Hall Effect Sensor Ics

Ats344 High Precision Linear Hall Effect Sensor Ic With Two Wire Current Mode Pwm Output And An Integrated Rare Earth Pellet Package

Ats344 High Precision Linear Hall Effect Sensor Ic With Two Wire Current Mode Pwm Output And An Integrated Rare Earth Pellet Package

Four Element Hall Effect Rotary Encoder Simulink

Four Element Hall Effect Rotary Encoder Simulink

Allegro Microsystems A1324 A1325 A1326 Low Noise Linear Hall Effect Sensor Ics With Analog Output

Allegro Microsystems A1324 A1325 A1326 Low Noise Linear Hall Effect Sensor Ics With Analog Output

Sarel A Question Of Sensivity

Sarel A Question Of Sensivity

A1339 Precision High Speed Hall Effect Angle Sensor Ic With Integrated Diagnostics For Safety Critical Applications

A1339 Precision High Speed Hall Effect Angle Sensor Ic With Integrated Diagnostics For Safety Critical Applications

Hall Effect Position Sensors Specifications Hall Effect Angular Position Sensors

Hall Effect Position Sensors Specifications Hall Effect Angular Position Sensors

Ti Precision Labs Magnetic Sensors Using Hall Effect Position Sensors For Rotary Encoding Applica Youtube

Ti Precision Labs Magnetic Sensors Using Hall Effect Position Sensors For Rotary Encoding Applica Youtube

Allegro Microsystems A1332 Precision Hall Effect Angle Sensor Ic With I C Interface

Allegro Microsystems A1332 Precision Hall Effect Angle Sensor Ic With I C Interface

Penny Giles Hall Effect Throttle Position Sensor For Motorsport Applications

Penny Giles Hall Effect Throttle Position Sensor For Motorsport Applications

Microcontroller Based Linearization Of Angular Sensor Ics

Microcontroller Based Linearization Of Angular Sensor Ics

Allegro Microsystems A1334 Precision Hall Effect Angle Sensor Ic

Allegro Microsystems A1334 Precision Hall Effect Angle Sensor Ic

The Advantages Of Hall Effect Sensors Variohm Eurosensor

The Advantages Of Hall Effect Sensors Variohm Eurosensor

Unit Ii Sensors And Actuators

Unit Ii Sensors And Actuators

Fast Shipping 360 Degree Contactless Analog Potentiometer Hall Effect Angle Position Sensor Magnetic Encoder 0 5v Output Output Aliexpress

Fast Shipping 360 Degree Contactless Analog Potentiometer Hall Effect Angle Position Sensor Magnetic Encoder 0 5v Output Output Aliexpress

Joystick With Allegro Position Sensor Ic

Joystick With Allegro Position Sensor Ic

Unipolar Hall Effect Sensor Ic Basics

Unipolar Hall Effect Sensor Ic Basics

Aps11000 Aps11060 Planar Vertical Micropower Hall Effect Switches

Aps11000 Aps11060 Planar Vertical Micropower Hall Effect Switches

How And Where Can Hall Effect Rotary Position Sensors Be Used

How And Where Can Hall Effect Rotary Position Sensors Be Used

Allegro Microsystems A1331 Precision Micro Power Hall Effect Angle Sensor Ic With Integrated Turns Counter

Allegro Microsystems A1331 Precision Micro Power Hall Effect Angle Sensor Ic With Integrated Turns Counter

0 To 5v Output Analog Hall Sensor For Foot Controller Electronics Lab

0 To 5v Output Analog Hall Sensor For Foot Controller Electronics Lab

Angular Position Sensor Rotary Position Sensor All Industrial Manufacturers Videos

Angular Position Sensor Rotary Position Sensor All Industrial Manufacturers Videos

Https Encrypted Tbn0 Gstatic Com Images Q Tbn 3aand9gcr Ylv42m Ocy Gj7a O3hcocchss43cqjcyeba 7rqsqgknjg Usqp Cau

Https Encrypted Tbn0 Gstatic Com Images Q Tbn 3aand9gcr Ylv42m Ocy Gj7a O3hcocchss43cqjcyeba 7rqsqgknjg Usqp Cau

Source : pinterest.com